Feeder Protection Relay F-RLY100L

  • Feeder Protection Relay F-RLY100L
  • Feeder Protection Relay F-RLY100L
  • Feeder Protection Relay F-RLY100L
  • Feeder Protection Relay F-RLY100L
  • Feeder Protection Relay F-RLY100L
  • Feeder Protection Relay F-RLY100L

    Overview

    The F-RLY100L Feeder Protection Relay is a compact and intelligent protection and control device designed for reliable operation in power distribution systems.The relay provides an optimized composition of protection, control, measurement, and communication functions in one unit, with the best performance and usability in its class.

     

    This newly developed Feeder Protection Relay offers comprehensive protection and control functions for both indoor and outdoor primary equipment. In addition to standard current transformer interfaces, it supports flexible configuration and programmable protection curves compliant with IEC and ANSI standards, enabling precise coordination and enhanced system reliability. Its advanced design ensures fast fault detection, quick response, and improved power quality, providing utilities and industries with intelligent, user-friendly automation solutions for modern digital distribution networks.

    Feature and Benefit

    • F-RLY100L feeder protection relay with multiple protection curves and IEC/ANSI compliance.

      Multiple Protection

      Realize multiple protection functions for overhead lines, support definite time curve, 26 l inverse definite minimum time curves, 24 user-defined curves, comply with IEC and ANSI standards, and satisfied with diverse needs of customers.

    • Modular F-RLY100L design enables quick upgrades, lower costs, and easier on-site maintenance.

      Modular Design

      With modular design, power supply, control, measurement and communication are realized by independent cards separately, which is conducive to the extension and replacement of cards at customer sites, saving customer's costs and maintenance time.

    • Waveform capture enables fast and accurate fault analysis.

      Waveform Capture

      Support record 10 fault records with a maximum of 10 seconds at the storage rate of 128 sampling points in each fundamental frequency period, and store up to 100 fault wave-forms to help customers comprehensively analyze the reason of the fault, tracing the rooting cause to solve the problem.

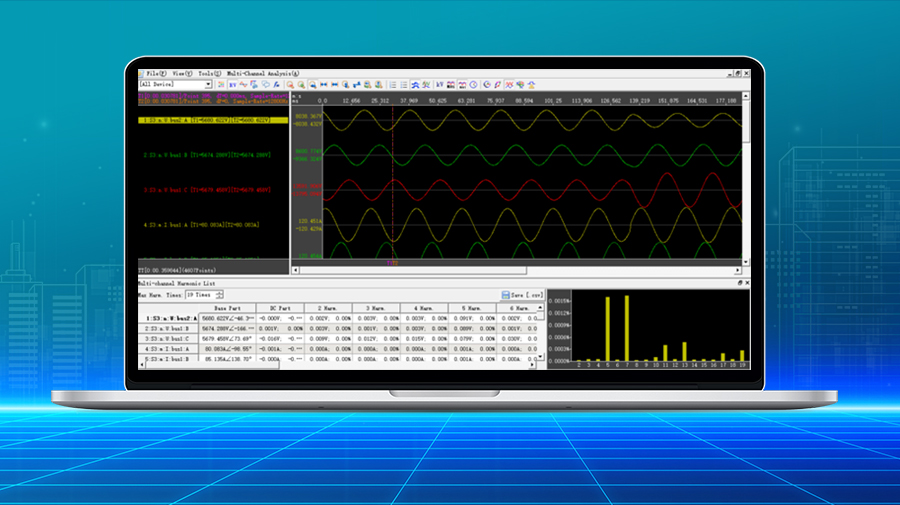
    • F-RLY100L relay with power quality analysis for voltage, current, and harmonic monitoring

      Power Quality Analysis

      Support power quality analysis, you can check the proportion of harmonic components of up to 16 analog quantity in real time, including current, voltage, active power, reactive power, apparent power, and up to 11 harmonics can be calculated to meet Customers’ high-quality electricity demands.

    Technical Parameter

    Technical Description:

    Parameter/Type

    F-RLY100L

    Power Supply

    20Vdc~29Vdc

    Voltage Input

    0~4Vac

    Current Input

    1A/5A

    Analog Input

    3I+Io+6Us

    Binary Input

    8 channels

    Binary Output

    4 channels

    Communication Port

    1*RS232/RS485, 1*RS232, 1*RJ45

    Communication Protocol

    101/104/DNP3.0/Modbus

    LCD Size

    10x20 characters

    IP Class

    Front Panel: IP54; Rear Panel: IP20

    Contact Us

    We are selling at first come, first serve basis. Please fill the contact form to request a callback or simply
    give us a call at (+86 17750019379).
    Service