Feeder Terminal Unit F-FTU200L

  • Feeder Terminal Unit F-FTU200L
  • Feeder Terminal Unit F-FTU200L
  • Feeder Terminal Unit F-FTU200L
  • Feeder Terminal Unit F-FTU200L
  • Feeder Terminal Unit F-FTU200L

    Overview

    The F-FTU200L is a microprocessor-based controller designed for LBS(Load Break Switch)/SEC (Sectionalizer) applications in distribution automation. It provides fault detection, protection, remote control, measurement, and communication functions in one compact unit.

     

    The device supports IEC and ANSI protection curves and allows easy setting and coordination. Housed in a weatherproof cabinet, the F-FTU200L ensures reliable operation in outdoor environments, enabling fast fault isolation and restoration for improved power system performance.

    Feature and Benefit

    • Multiple protection functions for overhead lines with IEC and ANSI standard curves.

      Multiple Protection

      Realize multiple protection functions for overhead lines, support definite time curve, 26 l inverse definite minimum time curves, 24 user-defined curves, comply with IEC and ANSI standards, and satisfied with diverse needs of customers.

    • Feeder automation with current and voltage-based sectionalizer control for FDIR functions.

      Distribution Automation

      Realize feeder automation, support current-based and voltage-based solutions of the sectionalizer, and satisfy with demands of Fault Detection, Isolation and Restoration (FDIR).

    • Supports IEC 60870-5-101/104, DNP3, Modbus for remote signal, measurement, control, and regulation

      Multiple Protocol

      Support IEC 60780-5-101/104,DNP3.0 and MODBUS standard protocols, supports protocol synchronization and B code time synchronization functions, and satisfy the needs of customers for “remote signal”, “remote measurement”, “remote control”, and “remote regulating

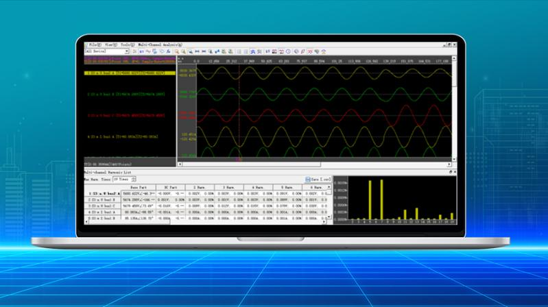
    • Power quality analysis with 16 measurements and 11 harmonics in real time

      Power Quality Analysis

      Support power quality analysis, you can check the proportion of harmonic components of up to 16 analog quantity in real time, including current, voltage, active power, reactive power, apparent power, and up to 11 harmonics can be calculated to meet Customers’ high-quality electricity 

    • Stores up to 10 fault records and 100 waveforms for comprehensive fault analysis.

      Waveform Capture

      Support 10 fault records with a maximum of 10 seconds at the storage rate of 128 sampling points in each fundamental frequency period, and store up to 100 fault wave-forms to help customers comprehensively analyze the reason of the fault, tracing the rooting cause to solve the problem.

    • Load profile function tracks 10 analog quantities over 30 days with 1-minute resolution

      Load Profile

      Support load profile function, you can check the historical data curve of 10 analog quantities, the minimum time scale is 1 minute, and can backtrack the historical data of up to 30 days, which is convenient for customers to track and save the data.

    Technical Parameter

    Technical Description:

    Parameter F-FTU200L
    Power suppy range  100 ··· 240 V AC 
    Maximum power consumption <30 W
    Duration of operation without auxiliary supply 24H
    Rated frequency 50/60 Hz
    Operation voltage  24 V DC (20···29 V DC )
    Rechargeable battery type Sealed lead acid
    Rechargeable battery voltage & capacity 2*12V/12AH
    Analog input 4I+6Us
    Current transformer input ratio 1/5A
    Voltage sensor input range 0~8V rms
    Binary input/output 8 BI/4BO
    Binary output breaking capacity (at L/R=40ms) 30W
    RTD/mA inputs 4~20mA
    Debugging port on front panel RJ45 Ethernet port
    Communication serial port on rear panel RS232 & RS232/485 serial port
    Communication ethernet port on rear panel  RJ45 Ethernet port
    Communication protocol IEC101/104, DNP3.0, MODBUS
    Temperature range -25°C ···+70°C 
    Degree of protection IP55
    Dimension 675mm*420mm*330mm

     

    Contact Us

    We are selling at first come, first serve basis. Please fill the contact form to request a callback or simply
    give us a call at (+86 17750019379).
    Service